Close
Close

Подбор аналогов


Сервисные инструменты


Нажимая на кнопку, Вы соглашаетесь с условиями политики обработки персональных данных

+7 (800) 300-62-06
Уплотнения Штоки и трубы Инструменты для гидроцилиндров Инструменты для работы с уплотнениями Комплектующие для гидроцилиндров Гидронасосы Гидрораспределители и комплектующие Наборы резиновых и медных колец Гидроцилиндры Заготовки для изготовления уплотнений методом точения Втулки скольжения Диагностическое оборудование Ремкомплекты
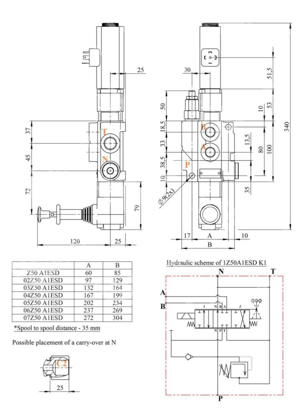
Главная не для сайта Гидрораспределители не для сайта Гидрораспределители моноблочные с электромагнитным управлением Электромагнитные гидрораспределители Z50

Гидрораспределитель 05Z50 A 1ESD K1 G1 12VDC

Гидрораспределитель 05Z50 A 1ESD K1 G1 12VDC

Нет в наличии

Гидрораспределитель 05Z50 A 1ESD K1 G1 12VDC
Гидрораспределитель 05Z50 A 1ESD K1 G1 12VDC
Гидрораспределитель 05Z50 A 1ESD K1 G1 12VDC
Фото 793732
Фото 793733
Фото 793734

Арт: 05Z50 A 1ESD K1 G1 12VDC

Код товара: НГ-П0026967

Тип управления

Электромагнитное

Расход рабочей жидкости, л/мин

50

Количество секций/золотников

5

Номинальное напряжение, В

12

Вид золотника

Двустороннего действия

Золотники в нейтральном положении

Закрыты

Смотреть все

Информация об упаковке

Длина, мм

400

Ширина, мм

250

Высота, мм

150

Вес, кг

9.4

Тип управления

Электромагнитное

Расход рабочей жидкости, л/мин

50

Количество секций/золотников

5

Номинальное напряжение, В

12

Вид золотника

Двустороннего действия

Золотники в нейтральном положении

Закрыты

Температура воздуха, °C

-40...+60

Рабочая жидкость

Гидравлическое масло на минеральной основе

Температура рабочей жидкости, °C

-15...+80

Резьбовое соединение

Дюймовое (G)

Размер отверстия для входа рабочей жидкости - P

1/2

Размер отверстий для присоединения к другим гидроустройствам - А и В

3/8

Размер отверстия для выхода рабочей жидкости в бак - Т

1/2

Крепление

2 отверстия под болты М8

Тип

05Z50 A/1ESD/K1/G -12 VDC

Описание доставки
Описание оплаты

Информация об упаковке

Длина, мм

400

Ширина, мм

250

Высота, мм

150

Вес, кг

9.4

Стоимость уплотнений методом точения

Изменение параметров

Материал

Высота, мм

Наружний д, мм

Внутренний д, мм

Цена

53 000,00₽

Последняя цена:

0 ₽

цена с НДС

История цены
Цена с учетом скидки

Смотрели раннее

С этим товаром покупают