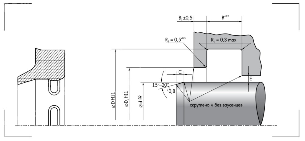
Грязесъемник WR-020 (20-28,6-5,3)
Грязесъемник WR-020 (20-28,6-5,3)
Арт: WR 20х28,6х5,3 (020)
Код товара: НГ-П0019156
Тип
WR
Материал
Полиуретан (PU)
Внутренний диаметр, мм
20
Наружный диаметр, мм
28.6
Ширина канавки, мм
5.3
Скорость, м/с
1
Информация об упаковке
Длина, мм
31
Ширина, мм
31
Высота, мм
6
Вес, кг
0.03
Тип
WR
Материал
Полиуретан (PU)
Внутренний диаметр, мм
20
Наружный диаметр, мм
28.6
Ширина канавки, мм
5.3
Скорость, м/с
1
Температура, °C
-30...+110
Твёрдость по Шор А
93
Полное наименование
Грязесъемник 20-28,6-5,3 (WR-020)
Бренд
RGC-TRADE
Страна-производитель
Россия
Информация об упаковке
Длина, мм
31
Ширина, мм
31
Высота, мм
6
Вес, кг
0.03
Аналоги
Стоимость уплотнений методом точения
Изменение параметров
Материал
Высота, мм
Наружний д, мм
Внутренний д, мм
Цена
53 000,00₽
99 ₽
цена с НДС
RGC-TRADE
страница бренда
