Грязесъемник WR-160M (160-172,2-7,1)
Грязесъемник WR-160M (160-172,2-7,1)
Арт: WR 160х172,2х7,1 (160M)
Код товара: НГ-П0019189
Тип
WR
Материал
Полиуретан (PU)
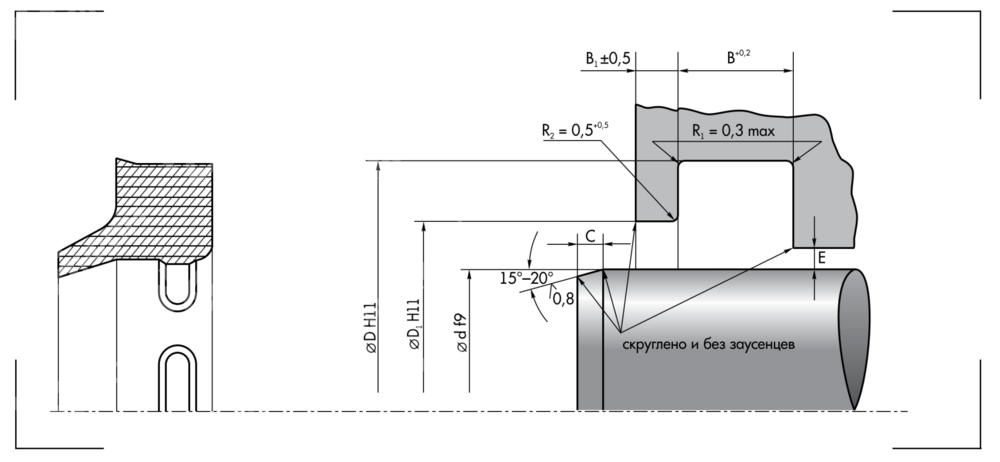
Внутренний диаметр, мм
160
Наружный диаметр, мм
172.2
Ширина канавки, мм
7.1
Скорость, м/с
1
Информация об упаковке
Длина, мм
189
Ширина, мм
189
Высота, мм
8
Вес, кг
0.12
Тип
WR
Материал
Полиуретан (PU)
Внутренний диаметр, мм
160
Наружный диаметр, мм
172.2
Ширина канавки, мм
7.1
Скорость, м/с
1
Температура, °C
-30...+110
Твёрдость по Шор А
93
Полное наименование
Грязесъемник 160-172,2-7,1 (WR-160M)
Бренд
RGC-TRADE
Страна-производитель
Россия
Информация об упаковке
Длина, мм
189
Ширина, мм
189
Высота, мм
8
Вес, кг
0.12
Аналоги
Стоимость уплотнений методом точения
Изменение параметров
Материал
Высота, мм
Наружний д, мм
Внутренний д, мм
Цена
53 000,00₽
639 ₽
цена с НДС
RGC-TRADE
страница бренда
